隱形井蓋鋼格板施工準備:
應根據所在地段鋪裝情況確定隱形井蓋鋼格板總厚度(如圖1),據此降低原市政井口標高,并預留50mm空隙以便隱形井蓋鋼格板調平。隱形井蓋鋼格板頂面應與周邊地面鋪裝表面齊平,確保檢查井所在路段人行道站石、盲道、鋪裝緣石等各類鋪裝線性的延續和完整。施工前制作好預埋鐵件以及隱形井蓋鋼格柵,預埋鐵件的尺寸規格詳見市.政工程精細化設計通用圖集YTS-Y-06.鋼格柵具體尺寸詳見設計變更圖紙YTS-J- 12。
隱形井蓋設計要求:
(1)隱形井蓋由頂面鋼槽和鋼格柵板組成。安裝時配以鋼框組成的預埋件。
(2)定制隱形蓋板所用鋼材均采用Q23 5-B鋼,并進行熱鍍鋅防腐處a,其他技術規定詳見YB/T4001.1-2007《鋼格柵板及配套件第1部分:鋼格柵板》。
(3)1.4米跨度以下井鋼格柵板應制作成整體,蓋板根據需要可以分塊制作。
(4)鋼格柵板加工焊條型號為E43型。鋼格柵板中扁鋼連接一律采用雙面貼腳焊,焊縫高度5mm,焊縫長度一律通長滿焊。焊縫等級一律為二級。鋼格柵板與頂面鋼槽焊接,焊縫高度5mm,一律滿焊。
(5)鋼格柵板尺寸,外形及允許偏差:
1)鋼格板的長度允許偏差為+0,-5mm,寬度允許偏差土5mm.
2)承載扁鋼的不垂直度應不大于扁鋼寬度的10%.
3)橫桿偏斜及間距偏差:橫桿邊緣對鋼格板中心的偏差應不大于5mm,在
任意1500mm長度內,兩端橫桿間距的允許偏差為16mm.
(6)鋼結構防腐:
1)所有鋼構件采用噴砂除銹,除銹等級達到Sa2.5級。
2)防腐做法為:環氧富鋅底漆二道80p m厚,環氧云鐵中涂層一道6080pm厚,丙烯酸聚氨酷耐候漆二道140p m厚,所有涂料每道實干后不得龜裂。
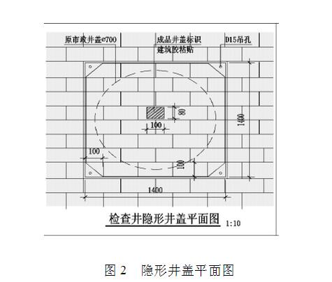
(7)隱形井蓋有關尺寸數據
(8)電纜溝隱形蓋板單元長度最大不宜超過2.Om,寬度0.5 in ^-0.8m為宜。
(9)鋼格板應滿足荷載標準:10KN/m'及T6荷載等級要求,且撓度應不大于跨距的11500.鋼格板應由專業廠家生產,并與鋼板局部焊接連接成整體。
(10)原則上,1.4米跨度及以下隱形蓋板鋼格柵板規格參考1.4米跨鋼格柵板制作,1.4米~2米跨度參照2米跨度鋼格柵板規格制作。
施工方法:
(1)開挖清底
由原市政井筒壁向外側開挖深度為:80cm+隱形井蓋厚度,電纜溝蓋板在原電纜溝壁位置開挖深度為:3 0cm+隱形井蓋厚度,具體開挖尺寸視隱形井蓋的大小而定,如圖3所示。開挖完后清除坑底垃圾并整平,鋪15cm碎石墊層。
(2)支模澆鹼
在檢查井井筒開挖后坑洞外側支木模板,在坑洞內澆筑C30素混凝土基座(電力蓋板在原電纜溝壁上澆筑3 0cm厚混凝土基座),基座寬度和深度如圖3所示。澆筑混凝土的同時在混凝土基座四周預埋好10mm厚通長鐵件,鐵件下應設置鋼筋規格如下圖3所示:

(3)安裝隱形蓋板并做好鋪裝層
待混凝土初凝后,即可安裝隱形蓋板,并在隱形蓋板四周設置8mm厚鋼板,與預埋鋼板焊接,固定隱形蓋板位置。人行道上隱形井蓋鋪裝層采用2 cm厚1:3水泥砂漿(M10)結合層貼3cm厚花崗巖石材(石材與井蓋周邊人行道一致),非機動車道隱形井蓋鋪裝層采用3cm后6mm粒徑黑色強固混凝土并用無色透明密封,詳見圖1.隱形井蓋鋪裝層應與井蓋周邊路面順接相平。
精細化施工要求:
人行道上的隱形井蓋面層鋪裝和人行道面磚鋪裝材料一致,遇到盲道磚應與之順接,隱形井蓋橫跨非機動車道和人行道時,在隱形井蓋周邊加鋪一圈黑色平緣石,道路人行道鋪裝結構形式順接原人行道。
注意事項:
(1)原則上,圓形檢查井采用雙層井蓋設計,電纜溝等方形井采用單層井蓋設計。
(2)市政檢查井隱形井蓋施工前,應根據所在地段鋪裝情況確定隱形井蓋總厚度,據此降低原市政井口標高,并預留5 0mm空隙以便隱形井蓋調平。騎線檢查井蓋需考慮采用多種鋪裝材料拼合而成,各種材料的顏色和質地應與周邊鋪裝相融合。
(3)鋼格柵板只用于人行道和非機動車道上,嚴禁上車。
(4)隱形井蓋安裝時應注意:隱形井蓋在硬質鋪裝面上時,井蓋內的鋪裝縫隙和材料與周邊石材縫隙保持一致,同一路段和區域井蓋開啟方向保持一致.
(5)檢查井與道路銜接應平順,設置于人行道上的井蓋宜采用隱形井蓋(井蓋上貼面與人行道鋪裝一致),檢查井井框與路面高差不應大于土5 mm,井蓋與井框高差不應大于士3mm。檢查井蓋上應在醒目位置標注專業管線類型。
(6)工廠制作的隱形井蓋需提供各種原材報告、出廠合格證等相關文件,并送成品進行檢測。現場制作需提供專業資質,原材料需報檢,成品需檢驗,施工應及時做好送樣與報檢。
安全文明施工:
(1)隱形井蓋開挖后未能及時施工時,應采用防撞錐筒及警示繩將坑洞進行圍護,防止行人跌進坑內。
(2)施工遺留下的廢物廢渣應及時清理歸堆,每天定時清理干凈.
(3)施工人員在現場必須戴好安全帽和反光背心。

Copyright 2013 (安平縣景頌金屬絲網制品有限公司) 版權所有 All rights reserved 備案號:冀ICP備16005441號-1
安平縣景頌鋼格板廠專業生產熱鍍鋅鋼格板、復合鋼格板、水溝蓋板、樓梯踏步板等絲網產品 技術支持 云天科技
